客户:阿里巴巴
建筑面积:704平方米
项目地址:法国巴黎香榭丽舍大街
主创设计师:李凌、汪铮(SpaceStation)
结构设计:Emmanuel Livadiotti、汤理达
施工完成:2024年8月
Le projet comprend la création de quatre toitures indépendantes sur le trottoir de l'avenue des Champs-Élysées. D'ouest en est, ces quatre structures sont identifiées par les modules A, B, C et D.
La toiture est constituée de panneaux en polycarbonate alvéolaire. La façade est réalisée en panneaux de polycarbonate ondulé. La partie inférieure (1 mètre) de la paroi est habillée d'une résille en acier.
Les modules B et C sont fermés. Les modules A et D sont des volumes fermés connectés à la verrière ouverte.
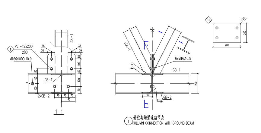
La toiture, composée de panneaux de polycarbonate, repose sur des poutres en bois lamellé-collé (BLC) supportées par une ceinture périphérique en acier en partie basse. Les colonnes inclinées et le système de poutres au sol sont rigidement connectés pour former un ensemble stable supportant la toiture. Les montants de façade en BLC sont soutenus par les poutres de ceinture de toiture et de façade.
Le diagramme des efforts axiaux montre clairement un effet de voûte au niveau de la toiture : la poutre cintrée (poutres BLC en faîtage et poutres de toit à 45 degrés) est en compression, tandis que la ceinture périphérique en acier est en traction.
Cet effet de voûte contribue à réduire le moment dans la poutre de transfert. Cependant, les lignes d'action des éléments de la voûte ne convergent pas en un point unique, ce qui génère un moment Mz important dans les poutres de transfert. En conséquence, la poutre de transfert a été conçue en acier. Cette solution garantit également la redondance structurelle de la toiture en cas de défaillance de l'effet de voûte.
Détails d'assemblage
